Làm thế nào để cài đặt Đôi mắt thiên thần trên trước
đôi mắt thiên thần, bò cho parvi pat từ BMW, một vật trang trí cho xe rất hay, nhưng thật đáng tiếc, nhà sản xuất trong nước không lắp gi trên xe của họ. Bất chấp Tova, giải quyết vấn đề. Món quà được Angel Eyes (AG) sản xuất và phân phối độc lập cho người tiền nhiệm của nó.
Ngăn chặn: 1. Tùy chọn cho đôi mắt thiên thần của nhà máy trên Trước 2. Hướng bản thân AG đến trước 3. Đã liên kết với AG kjm kabelevaneto trên predishnit 4. Tính hợp pháp để điều chỉnh quang học 5. Băng hình
Tùy chọn cho đôi mắt thiên thần của nhà máy trên Trước
Trước đây, hãy để chúng tôi mượn từ sản xuất độc lập trong đôi mắt thiên thần cho lòng bàn tay của bạn trên người tiền nhiệm, chúng tôi thấy một số khoảng cách, chúng tôi có thể, và chúng tôi có ý định nấu ăn. Luộc trên Internet, đánh đố robot về tarsene ... Kết quả của tôi và thậm chí nhiều hơn từ một! Cung cấp để chuẩn bị đôi mắt thiên thần từ ba loại.
Vấn đề khí đốt
Những bóng đèn huỳnh quang đó, điểm dưới dạng trên tường. Nguyên tắc về tác dụng trên đèn cũng sẽ loại bỏ chất cathotoxin trên LDS thông thường, đó là do làm rõ. Đèn phóng điện kato của bạn sẽ bảo vệ khỏi điện áp cao, với đôi mắt thiên thần như vậy sẽ cung cấp một bộ chuyển đổi treo và bộ phận đánh lửa. Thiết bị có giá cả phải chăng và hợp túi tiền. Có lẽ họ là những người duy nhất thiếu khả năng chống va đập.

Xả khí (CCFL) AG với chấn lưu
Trên đèn LED CMD
Takiva để mắt đến những chiếc khăn choàng tiên nghiệm, koito sa hàng đầu đặt đèn LED SMD. Bản gốc là dải đèn LED 12 volt, "vết thương" trên tường. Hãy nhìn vào loại Tozi, họ đàng hoàng ngay tại chỗ từ điểm sáng.Những struvate đó tốt hơn một chút so với thiết bị xả khí, nhưng chúng tiết kiệm hơn và có khả năng chống va đập cao. Cảnh báo kato của bạn cho lưới điện màu đỏ tía e cao từ 12 vôn, mắt thiên thần trên đèn LED và sử dụng bộ ổn định để cảnh báo cho công việc của chính bạn (thường không có trong bộ sản phẩm).

AG trên diode CMD không có bộ ổn định
Trên LED COB
Tezi đôi mắt thiên thần trên trước, được gọi là một cụm, đó là sa zhilavi. Nhưng nguồn sáng catốt được sử dụng bởi ma trận LED - một tập hợp các điốt siêu nhỏ, được bao phủ bởi một lớp photphorene tổng thể. Tương tự như các thiết bị phóng khí, chúng phát ra ánh sáng đồng đều, trái với tên kiểu máy, phù hợp với hình xoắn ốc (tùy thuộc vào định dạng trên ma trận). Tiết kiệm, chống sốc, phản lực gần như sắc nét LED đôi mắt thiên thần. Đó là một bộ ổn định 12 volt cho hoạt động của si (theo lựa chọn đưa vào).

Cụm AG có bộ ổn định nguồn đi kèm
Ima và một tùy chọn khác: farove, sản xuất từ "noname" với một cặp mắt được phân loại, định dạng imat và kích thước trên đèn pha Lada Prior. Nhưng trước hết, farove bên trái hoàn toàn không phải là một tùy chọn ngân sách (làm thế nào để bạn sở hữu si của riêng mình?), Và thứ hai, cài đặt như vậy được mở rộng thêm cho đến điểm thay đổi đầu tiên, vì một lý do nào đó bạn có thể nhìn thấy nó bằng một mắt.
Hướng bản thân AG đến trước
Đối với những đề tài không bận tâm đến lâm nghiệp, hãy bắt đầu mua, ưu tiên chuẩn bị mắt thiên thần, không phải là một lựa chọn. Bikh đang tìm kiếm chính mình và chỉ đạo mọi thứ từ nulata! Bạn có thể chỉ đạo nó. Tôi cung cấp hai tùy chọn để ưu tiên, bạn có thể chọn bất kỳ.
Đọc tiếp cho hai đèn LED
Tùy chọn này dành cho Samodelkins thực sự, nhưng không phải là ngân sách đặc biệt. Nếu có, hãy điền vào cấu trúc tasi, sche vie trebva:
- 4 lớp plexiglass trong suốt và dây có chiều dài 500 mm và đường kính 8-10 mm.
- 8 đèn LED siêu sáng có dây dẫn.
- 8 điện trở mỗi cái 1 kΩ.
- chất bịt kín
- 2 nắp sơn bóng nitro trong suốt hoặc sơn móng tay.

Tova e vsichko, từ thứ bạn cần, vì có, hãy hướng đôi mắt thiên thần này.
Shche vie tryabvat nyakolko cụ, đó là ima vvv cả nhà:
- Cưa kim loại hoặc bảng từ cô ấy.
- Hai gọng kìm hay kìm (kìm có mũi kr'gl, kìm, kìm, v.v.).
- 2 vòng bào tử quả quýt đo trên vách AG*.
- Máy khoan hoặc tuốc nơ vít.
- Mũi khoan 5,5 mm.
* Nếu đèn pha bị giới hạn ở Bohs, bạn cũng có thể lắc cửa với đường kính 105 mm trừ 2 đường kính dây và 115 mm trừ 2 đường kính dây. Đèn pha Ako ima Kirzhach, togawa 100 mm trừ 2 đường kính trên dây và 110 mm trừ 2 đường kính trên dây.
Rolls on dornitsi có thể được chơi từ một chiếc burkan hoặc một cái chai có kích thước phù hợp và rất tiện lợi, và đó là một chiếc bastun trong suốt phía sau một chiếc shori không có lỗ hở ở giữa. Thêm vie tryabvat tổng cộng 2 bastuns.

Trastika cho shori GARDINIA, dài 1 m
Hãy chôn cất một số ngay bây giờ và cai trị đôi mắt thiên thần cho người tiền nhiệm. Ở nơi đầu tiên, hãy thử và để chúng tôi hướng áp lực, nếu cần, đường kính từ lò xo. Nếu có, hãy gửi tov, làm nóng nước suối hoặc phiên kỹ thuật, và tôi sẽ xoay dornik xung quanh câu trả lời với sự trợ giúp của hai cái kẹp.

Ogvane na prta in prusten
Gửi cho người khác 3 giấy nến để ăn phần đầu. Tryabva và imate 2 golem và 2 prusten từng chút một, đường kính ty kato trên farovet ở mặt trước sa khác nhau. Bây giờ, hãy lấy một cái cưa sắt và cắt bỏ các cạnh bên phải, một thứ như vậy và cách tường 70 mm. Điều cần thiết là nó phải được nheo lại trong thung lũng thường xuyên trên lớp lót trang trí trên đèn pha và không dừng lại ở việc lắp đặt trên đôi mắt thiên thần.

Đôi mắt thiên thần chỉ ngon lành và nằm trên mặt đất mà không có khe hở của golem takiva.
Đột lỗ có đường kính 5,5 mm, đục gấp đôi các mép ở mép, ở hai bên, lỗ khoét 7-8 mm.

Phá vỡ các lỗ hổng trong vết nứt
Để lại và kìa, hướng vết cắt từ đất nước trước mắt trên đôi mắt thiên thần về phía trước. Vì có, hãy gửi Đồng chí, Imate cần từ một cái cưa sắt để lấy kim loại. Lỗ trên kênh là 0,5 mm, bước là 2 mm.

Được gắn vào khe để trải trên svetlinata
Kết quả là, trên Tova Tryabva, bạn sẽ có được gần như một bức ảnh chụp nhanh. Hầu như - họ sẽ cắt nó vào tường, rõ ràng là nó nhỏ và tồi tàn hơn và thậm chí còn được làm lại.

Chuẩn bị cầu nguyện cho đôi mắt thiên thần trước
Thời gian để cài đặt đèn LED và điện trở. Hàn anodize trên đèn LED và với sự trợ giúp của điện trở, kết quả là các dây được nối dây lên đến 3-5 mm. Cực dương của đèn LED ở đâu? Ban đầu, e-dalg từ cực âm. Để nắp sơn mài mở hết cỡ và đặt đèn LED vào tyah, để cực âm các dây dẫn và tôi sẽ đan chéo nhau. Phần còn lại và sebere là một kế hoạch đơn giản, một số trong đó không phải là nhận xét phức tạp.

Đôi mắt thiên thần trên trước với kế hoạch được lên kế hoạch trước
Ostava yes se isolir tazi veriga. Nay-lesniyat và hy vọng bắt đầu và gửi hàng bằng máy niêm phong. Ako người niêm phong đã biết rằng đôi mắt thiên thần có thể được kiểm tra thông qua kết nối với pin Krona. Trong trường hợp này, cộng với một tryabva, vâng, đặt một điện trở lên nó (dây dẫn màu đỏ trên hình) và trừ đi cực âm.

Kiểm tra đôi mắt thiên thần
Chúng có cháy không? Angel Eyes đã sẵn sàng để cài đặt trên phiên bản tiền nhiệm của bạn. Nó không khó, nhưng hãy chỉ đạo nó.Nếu có, hãy cử đồng chí, tryabva và tháo đèn pha ra khỏi bộ phận phía trước và thả tấm kính bay ra, được gắn trên đỉnh của miếng đệm từ nó. Tova không có nghĩa là điều khiển nó tốt hơn, nhưng với sự trợ giúp của kỹ thuật (và một số người nói rằng đó là một phiên bình thường), điều đó hoàn toàn có thể thực hiện được. Hâm nóng một ly rượu ngon, dùng tuốc nơ vít xé nó ra và bạn sẽ nhổ nó ra rất thú vị, khi bạn tiếp tục hâm nóng nó. Trong một số trường hợp, nó đã bị rách nhờ một con dao văn phòng phẩm để giúp đỡ.


Premahvane trên kính từ Farovete với sự trợ giúp của Seshoar
Bên cạnh để đóng bất kỳ đỉnh AG nào là một băng trang trí và dày, dành cho nó với một con dấu. Mở dây dẫn ra, mở ra, chỉ vào miếng lót nhựa trang trí và tháo đèn pha ra bên ngoài. Làm sạch keo cũ, bôi keo mới và dán kính trở lại, sau đó ấn mạnh cho đến khi keo khô hoàn toàn.
Quan trọng! Hãy chú ý đến chất lượng, sau đó đến keo trên kính. Ako e losho montiran, fart sche zamgli.

Và đây là kết quả công việc của bạn - imat ưu tiên là một diện mạo hoàn toàn khác
Đôi mắt thiên thần trên trước từ LED trba
Tùy chọn Tazi đắt hơn cho sản xuất, nhưng nó hiệu quả hơn rất nhiều trên Prior. Hạn chế duy nhất của việc cung cấp con lăn cao là giá thiết lập (khoảng 1500 rúp).
Nếu có, hãy đính kèm tùy chọn lưu vực, schevi trebvat 4 gavkavi LED trabi, mỗi chiếc có chiều dài 30 cm (được bán với nhiều độ dài khác nhau).

Gavkava LED yêu cầu điều chỉnh xe
Vâng, chúng tôi chấp nhận rằng quốc gia ở farovet veche e premahnata được ưu tiên. Loại bỏ kính và lớp lót trang trí khỏi nó. Từ đất nước mong muốn, trên lớp lót, gửi 4 lỗ có đường kính vào ống, định hình AG bằng các nhúm phía sau prana và buộc chặt ống vào bịt kín.Vết cato bịt khô, nuốt lại đèn pha và lắp lên dè trước. Tova e vsichko.

Đã làm việc trên đôi mắt thiên thần để tiên nghiệm từ LED trba
Và một cái nhìn khác như thế này:

Đôi mắt thiên thần, được làm từ đèn LED, được bao gồm trong khoản thanh toán phụ
Dải băng phát sáng trang
Đôi mắt thiên thần Prioru từ đèn LED CMD
Chỉ có một lựa chọn, nhưng nó cũng tốn nhiều công sức và thậm chí có thể được hướng dẫn bởi chính các kỹ sư đài phát thanh chuyên nghiệp, những người có kỹ năng và thiết kế khăn quàng cổ in. Nyama và tất cả những người tập trung gặp rất nhiều khó khăn: luận điểm, thứ mà bạn có thể nhận ra bằng công nghệ về độ mượt mà, họ sẽ tìm ra nó. Tóm lại là như vậy. Sprint Layout đã phát triển bảng mạch in hai mặt cho đèn LED SMD và điện trở với kích thước trên kích thước của màn hình. Dấu vết của tova tazi durma được in trong điều lệ varkhu laskava trong mashabi thực sự:


Khăn in ở phía trước
Một dấu vết của một sản phẩm, sử dụng một công nghệ đằng sau một bề mặt nhẵn, đã mô hình hóa lớp gỗ trên cùng thời tiền sử của nó từ một lớp kính từ một tấm bìa cứng.
Vẽ trên một chiếc khăn in tấm trên cùng từ sợi thủy tinh
Với sự trợ giúp của máy khắc hoặc công cụ khác, bạn có thể cắt bỏ phần thừa mà vẫn có được một chiếc khăn tay đã in gần như hoàn chỉnh.
Để yên và cho vào dung dịch sắt clorua, nhưng hãy để ý đến nó và chiếc khăn tay đã in đã sẵn sàng.
Cài đặt đèn LED và điện trở. Chuẩn bị đôi mắt thiên thần của bạn.
Để nhắc lại, quá trình này là rất nhiều công việc và có thể được chỉ đạo bởi chính một chuyên gia, người hiểu rõ công việc. Sản xuất bào tử trên takiva AG e từ sở thích thể thao thuần túy.
Đã liên kết với AG kjm kabelevaneto trên predishnit
Ở lại và chuyển đôi mắt thiên thần của bạn từ mrezha màu đỏ tía sang những người tiền nhiệm của bạn.Ako tìm yes gi, bật bất chấp các thiết bị chiếu sáng khác, togawa ima nghĩ có nên lắp thêm cái chồi vào khoang hành khách và để mắt thiên thần coi thường anh ta, ví dụ như cố đánh lửa hoặc một người tiêu dùng 12 V nào khác.
Nhưng thật tiện lợi khi sử dụng AG một cách ngoan cố trên đèn có kích thước. Tất cả bầy đàn, tranh chấp luật lệ để giành lấy luật lệ cho phong trào, chúng đốt cháy ngày đêm. Nhưng khâu đôi mắt thiên thần không thể và sẽ được buộc trực tiếp từ vải đỏ tía trên người tiền nhiệm. Chúng được thiết kế cho 12 V và trong máng xối màu đỏ tía, đôi khi chúng hoạt động - 14,5 V. Chính vì điều này mà lý do khiến Internet gmzha nhận được phản hồi tiêu cực về mắt: “Chúng tôi không dám từ tuần trước ! “Vì có, họ không “cháy hàng”, bạn không cần phải viết các ấn phẩm trên Internet, nhưng vâng, hãy bật đầu hoặc vâng, hãy tham khảo ý kiến của một điệp khúc am hiểu.
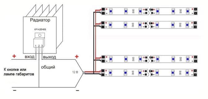
Vì vậy, hãy lắc bộ ổn định, bằng cách nào đó hỗ trợ 12 V trên AG, bất kể điện áp trong mrezha màu đỏ tía. Nay -lesniyat bắt đầu và chỉ đạo hàng hóa và sử dụng bộ điều chỉnh điện áp tích hợp KR142EN8B. Struva có giá khoảng 20 rúp và bạn thậm chí có thể quyết định đến bất kỳ cửa hàng nào để mua bộ phận phát thanh hoặc trên đài phát thanh.

Ổn áp tích hợp KR142EN8B
Quan trọng! Xin lưu ý rằng chữ cái cuối cùng của tryabva phải chính xác là “B”. Các chip có chữ cái khác nhau sẽ tạo ra điện áp khác nhau.
Bộ ổn định của chuỗi này trên vi mạch tazi cũng được xem như sau:
Làm chậm chuỗi tazi, đừng lấy nó đi và đặt một vi mạch lên trên một bộ tản nhiệt nhỏ - ở các cạnh trên các cạnh, thật khó để thử và lưu trữ tối đa bốn AG. Thay vì bộ tản nhiệt, bạn có thể sử dụng các bộ phận kim loại từ một loạt xe hơi trên ô tô.Xoay mắt song song, ngược lại với cực và vặn đầu ra sang bộ ổn định. Kết nối đầu vào với bộ ổn định bằng đèn có kích thước hoặc công tắc đã được cài đặt trên bảng điểm. Đối với đôi mắt thiên thần trên hai đèn LED, verigata có thể được nhìn thấy như thế này:

Sơ đồ bật mắt thiên thần cho hai đèn LED
Ako ste đã gửi đôi mắt thiên thần từ băng LED hoặc đường ống, togawa tyahnata sơ đồ trên liên kết như sau:

Sơ đồ bật mắt thiên thần trên dải đèn LED quay lại kjm sdzharzhanieto ↑
Tính hợp pháp để điều chỉnh quang học
Angel Eyes được lắp đặt hợp pháp trong bao lâu? Tuk nyama vâng kazha rất nhiều. Theo luật, bất kỳ sửa đổi độc lập nào đối với thiết bị chiếu sáng đều phải trả giá bằng phương tiện, bằng cách nào đó được lắp đặt không theo tiêu chuẩn (không được mong đợi từ thiết kế trên ô tô), mà là lạm dụng.
Đôi mắt thiên thần của những người lắp đặt đã cố ý thay đổi thiết kế cho đèn pha và yama, giá trị được trao cho sản phẩm, phản ánh chất lượng của một thứ gì đó trên đèn (và sản phẩm chắc chắn phản ánh điều đó: glyat trên lan rộng trên farasche nhỏ hơn). Theo phần đầu, hãy điều chỉnh si colata bằng đôi mắt thiên thần, chấp nhận rủi ro và hủy hoại các quyền và quản lý si cuối cùng trong một cực của một tháng. Và như vậy bạn sẽ đi học, togava trong một năm. Zatova hãy suy nghĩ kỹ trước khi bạn chọn một poyanik - đó có phải là một luồng không? E, nếu vậy thì cứ tiếp tục đi, coi chừng, càng có thời gian.
Bây giờ bạn đã biết cách độc lập và cài đặt đôi mắt thiên thần trên Frior Prior và nếu muốn, bạn có thể tự điều khiển nó để có thể tập trung vào sở thích, sở thích và khả năng của mình.
Băng hình
TrướcÁnh sáng trang trí và tùy chỉnhCách định hướng và cài đặt đôi mắt thiên thần trên VAZ 2106Kế tiếpChiếu sáng trang trí và điều chỉnh Cách thức và cách lắp đặt độc lập gương phản xạ trên đèn pha




