Trình điều khiển LED là gì và làm thế nào để chúng ta chọn đúng
Tiêu đề: đèn LED 
LED, thứ đang quét sạch nghiêm trọng tất cả các nguồn ánh sáng khác trong vài năm qua, ngày nay bạn có thể và sẽ luôn có ý định. Chúng được sử dụng trong các căn hộ và văn phòng, chiếu sáng đường phố, trang trí hàng rào và nội thất. Nhưng đối với quy tắc hoạt động trên chất bán dẫn, nguồn sáng yêu cầu trình điều khiển chất lượng cao và đáng tin cậy cho đèn LED. Hôm nay chúng ta đang nói về Tozi, điều cực kỳ quan trọng là phải nhập và chúng tôi sẽ phân tích lý do tại sao trình điều khiển lại cần thiết, cách thức hoạt động và giá thành của nó, đồng thời hãy gửi trình điều khiển LED cho riêng bạn.
Ngăn chặn: 1. Những loại trình điều khiển và bảo vệ là cần thiết 2. Các loại trình điều khiển LED 3. Cách chọn driver cho đèn LED 4. Làm thế nào để bạn phân biệt giữa trình điều khiển LED và lưu trữ băng LED 5. Sơ đồ liên kết đến trình điều khiển LED 6. Trình điều khiển tuyến tính si trực tiếp cho đèn LED
Những loại trình điều khiển và bảo vệ là cần thiết
Nếu bạn xem qua tiếng Anh-Nga riverman, bạn có thể hình dung ra shofyort nghĩa đen là “tài xế”. Bạn đã tìm thấy một cái tên lạ từ đâu và với hình phạt nào? Nếu có, chúng tôi sẽ phân tích tov, chúng tôi sẽ loại bỏ một số thứ trong số đó một chút và hãy nói về đèn LED.
Đi-ốt phát quang (đi-ốt phát sáng) là một thiết bị bán dẫn, có khả năng phát ra ánh sáng dưới tác động của điện áp đặt vào nó. Osventova, vì vâng, chất bán dẫn hoạt động chính xác, điện áp, bằng cách nào đó osigureva dòng điện tối ưu của tinh thể, lắc và được ổn định liên tục và nghiêm ngặt. Tova đặc biệt quan trọng đối với sức mạnh của đèn LED, cực kỳ quan trọng đối với bất kỳ loại suy thoái và tiền điện áp nào trong việc lưu trữ dòng điện.Dấu vết Vednaga của catho được lưu trữ trên diode ít hơn một chút, dòng điện chạy chậm hơn và kết quả là công suất nhẹ hơn ít hơn. Khi dòng điện vượt quá giá trị bình thường một chút, chất bán dẫn ngay lập tức bị hỏng và cháy hết.
Nó chủ yếu nhằm vào trình điều khiển và osiguri trên dòng điện LED, nó cần thiết cho công việc bình thường. Do đó, trình điều khiển LED bắt đầu được lưu trữ trên đèn LED, "trình điều khiển" kỹ thuật đã đạt được chất lượng hoạt động lâu dài và chất lượng cao trên các chất bán dẫn của đèn chiếu sáng.
Các loại trình điều khiển LED
Tất cả các trình điều khiển LED có thể được phân loại theo nguyên tắc ổn định hiện tại. Dnes ima hai nguyên tắc như vậy:
- lanh.
- Xung.
ổn định tuyến tính
Vâng, hãy nói rằng đèn LED là imam mạnh mẽ, một số trebva và tỏa sáng. Hãy tập hợp một sơ đồ nai-tuyến tiền liệt:

Sơ đồ giải thích nguyên lý dây chuyền trên quy định hiện hành
Tôi đang đặt điện trở R, hoạt động như một bộ giới hạn và mong muốn có điện trở hiện tại - đèn LED sáng lên. Nếu điện áp đã bị thay đổi (ví dụ: hết pin), hãy bật nút nhảy trên điện trở và đặt dòng điện cần thiết. Ako se tăng nó lên, đặt phần đầu của bức tranh hiện tại. Chính xác, điều đúng đắn cần làm là tha thứ cho bộ ổn định tuyến tính: theo dõi dòng điện của đèn LED và, nếu cần, "hút khói" trên điện trở. Quy tắc rất giống nhau là rất nhiều thời gian barzo, kato ima và phản ứng với điều này - một chút sai lệch về dòng điện so với sức chịu đựng nhất định. Hiểu được điều này, trình điều khiển là nimqua nakva dzhzhka, vai trò của bạn từ bóng bán dẫn là không đáng kể, nhưng bạn không thể đánh đổi bản chất để lấy một lời giải thích.
Nhược điểm của chuỗi có bộ điều chỉnh dòng điện tuyến tính là gì? Thực tế là có một yếu tố trái quy định và tiêu tốn năng lượng vô ích, một số chỉ gây ô nhiễm không khí. Osventova, điện áp đầu vào cao đột ngột, hợp lý trong đống đổ nát của golem sa. Đối với đèn LED có dòng điện nhỏ, mạch như vậy không phù hợp và đã được sử dụng thành công, nhưng không thể lưu trữ năng lượng của chất bán dẫn bằng trình điều khiển tuyến tính: trình điều khiển có thể và tiêu thụ nhiều năng lượng hơn từ chính đèn chiếu sáng.
Dự đoán về sơ đồ bảo vệ như vậy, bao gồm cả tính đơn giản tương đối của sơ đồ và giá thấp hơn của trình điều khiển, được tính từ độ tin cậy của ngôi đền.

Trình điều khiển tuyến tính cho bộ lưu trữ đèn LED trong chiếu sáng thất nghiệp
Ổn định xung
Trước mặt chúng ta, họ sẽ loại bỏ đèn LED, nhưng chúng ta cũng sẽ gập khác đi một chút để bảo vệ dây chuyền:

Sơ đồ giải thích nguyên lý làm việc của bộ ổn áp từ rộng đến xung
Bây giờ thay vì điện trở imame buton KN và e đã thêm một tụ điện để bảo toàn C. Tôi đặt một điện áp vào kum verigata và sự tấn công của nút. Bình ngưng được nối đất và đang sạc và khi đạt đến điện áp hoạt động, đèn LED sẽ sáng. Vì vậy, hãy tiếp tục và tiếp tục ép nụ, bây giờ nó đã vượt quá chi phí cho phép và chất bán dẫn bị cháy. Khởi động nút. Tụ điện tiếp tục bảo vệ đèn LED và phóng điện dần dần. Vednaga shhom tokat rơi vào chi phí chấp nhận được cho đèn LED, bấm chồi lại, bảo vệ tụ điện.
Đây là cách chúng tôi ngồi xuống và định kỳ tấn công nụ, hỗ trợ chế độ bình thường hoạt động trên đèn LED. Kolkoto theo cách bảo toàn điện áp cao, giải thích nó theo cách bdat shrakvaniyata hơn. Kolkoto ở mức độ căng thẳng thấp, hợp lý trong một thời gian dài, hãy thử và dừng nụ.Nguyên tắc tương tự áp dụng cho điều chế độ rộng xung. Nguồn cấp nước theo dõi dòng điện qua đèn LED và điều khiển công tắc trước, nó được kết nối với bóng bán dẫn hoặc thyristor. Tôi đi cai trị rất nhiều barzos (desets và dori stotytsi hiladi nhấp chuột mỗi giây).
Ở phía bên phải, công việc khó chịu và phức tạp, nhưng mạch điện tử cũng vậy. Nhưng hiệu quả của việc bật bộ điều chỉnh có thể đạt tới 95%. Dory và người giám hộ hàng kỹ thuật đèn led sân khấu làm hỏng năng lượng ở mức tối thiểu và bật các yếu tố cho người lái chứ không phải sức mạnh của bộ tản nhiệt. Tách nó ra, bật bộ ổn định phức tạp hơn một chút về thiết kế và skype, nhưng mọi thứ đều khác với hiệu suất cao, chất lượng vượt trội để ổn định dòng điện cũng như nhiệt độ và kích thước tuyệt vời.

Trình điều khiển xung Tosi ở trạng thái và cung cấp tới 3A mà không cần bất kỳ bộ tản nhiệt nào. quay lại kjm sdzharzhanieto ↑
Cách chọn driver cho đèn LED
Một dấu vết của kato razgledahme về nguyên tắc hoạt động của trình điều khiển LED, hãy để lại và xem, chúng tôi sẽ hướng dẫn bạn cách chọn đúng. Ako không lấy đi cơ sở về kỹ thuật điện, vào trường, hàng hóa là một câu hỏi đơn giản. Một số chọn các đặc điểm chính của bộ chuyển đổi cho đèn LED, cũng liên quan đến việc lựa chọn:
- điện áp đầu vào;
- điện áp ban đầu;
- dòng ra;
- sức mạnh ra ngoài;
- mức độ bảo vệ chống ô nhiễm môi trường.
Trước tiên, hãy thử và quyết định xem bạn vẫn tiết kiệm đèn LED của mình từ nguồn nào. Bạn cũng có thể mua dây từ 220 V, dây màu đỏ tía cho ô tô hoặc nguồn khác để có dòng điện một chiều và có thể trao đổi. Trước hết, đó là một lời cảnh báo, bạn đang bò vì một số lý do, sự run rẩy vẫn còn trong phạm vi, nó được đưa vào hộ chiếu cho nước trong cột "điện áp đầu vào". Ngoài goleminate, vâng, trong mọi trường hợp, cần phải thấy trước loại dòng điện: không đổi hoặc có thể thay đổi.Ví dụ, giá trị trong liên hệ đang thay đổi, nhưng trong kolata thì không đổi. Prviyat thường được biểu thị bằng chữ viết tắt AC, theo sau là DC. Thông tin về hầu hết các loại rượu tazi có thể được nhìn thấy trên vỏ trên chính thiết bị.

Trình điều khiển Tosi được thiết kế để hoạt động ở 100 đến 265 VAC
Bước tiếp theo là nhắc tôi đi ra ngoài các thông số. Có, giả sử bạn có ba đèn LED cho 3,3 V, điện áp và dòng điện 300 mA vẫn hoạt động (xem tài liệu thân thiện). Quyết định và chỉ đạo đèn bàn, sơ đồ cho kết nối trên diode là nối tiếp. Hãy tính hiệu điện thế trên các chất bán dẫn, ta được hiệu điện thế giảm trên mạch: 3,3 * 3 = 9,9 V. Vì vậy, nếu bạn cần một trình điều khiển có điện áp ban đầu là 9,9 V, thì tốt hơn là ổn định dòng điện ở mức 300 mA.
Hãy tách nó ra, có vẻ như thiết bị này có thể không nhằm mục đích ngăn chặn điện áp, nhưng điều đó là không cần thiết. Trình điều khiển Vsichki không được thiết kế cho một điện áp nhất định, nhưng cho một phạm vi nhất định. Nhiệm vụ của bạn là nhập giá trị si vào dãy tosi. Nhưng dòng điện ngắt được phát ra chính xác và ở mức 300 mA. Trong trường hợp cực đoan, thậm chí có thể một chút (đèn vẫn sáng yếu), nhưng không bao giờ nhiều hơn. Trong trường hợp ngược lại, sản phẩm tự chế vashiyat bị cháy vennaga hoặc tháng sau.
Tiếp tục về phía trước. Phân tích lượng điện năng cho trình điều khiển là không cần thiết. Tozi parametar treabva pon vâng svpada từ việc tiêu thụ năng lượng cho đèn của chúng tôi, và tốt hơn là đặt tasi với 10-20%.Làm cách nào để tính toán công suất trên “đáy” của chúng tôi từ ba đèn LED? Hãy nhớ rằng: công suất điện trên sản phẩm e hiện tại, ngược lại, được nhân với điện áp đặt vào.Sử dụng máy tính và nhân tổng điện áp với đèn LED và dòng điện, sẽ chuyển đổi điện áp sau thành ampe: 9,9 * 0,3 \u003d 2,97 W.
Hoàn toàn dokosvane. Thi công kết cấu. Thiết bị có thể, vâng, bằng cách nào đó ở Kalf và không có nó. Parviyat, phân loại nó ra, mua bảo hiểm chống bụi và hơi ẩm, nhưng liên quan đến an toàn điện, nó không phải là một lựa chọn tốt. Ako quyết định và đưa người lái xe vào đèn, để bảo vệ tốt cho thứ Tư tới, sau đó làm việc chăm chỉ hơn. Nhưng nếu bạn mở mui xe trên đèn và buồng thông gió (đèn LED trebva và làm mát), và bản thân thiết bị đang ở trong ga ra, thì bạn nên chọn một nguồn trên bộ lưu trữ trong mui xe của chính mình.
Và như vậy, imame cần từ trình điều khiển LED với các đặc điểm sau:
- lưu điện áp - trung gian 220 V AC;
- điện áp ban đầu - 9,9 V;
- dòng điện đầu ra - 300 mA;
- công suất ban đầu - không ít từ 3 W;
- kalf - chống bụi.
Otivame trong cửa hàng và gledam. Đây chính là nó:

Trình điều khiển bảo vệ đèn LED
Và không chỉ phù hợp, mà lý tưởng nhất là không khuyến khích ứng dụng. Một chút dòng điện được phát ra từ phần bụng trên đèn LED, nhưng nó hoàn toàn là nimma và sẽ ảnh hưởng đến độ sáng trên phần tỏa sáng. Mức tiêu thụ năng lượng thấp hơn xuống còn 2,7 W - dự trữ nhiều hơn cho nguồn điện.
Làm thế nào để bạn phân biệt giữa trình điều khiển LED và lưu trữ băng LED
Ima ý kiến che lưu cho băng LED - một cái gì đó khác với vodach thông thường với vodach. Chúng tôi sẽ giải thích một số vấn đề và đôi khi chúng tôi sẽ hướng dẫn bạn cách chọn trình điều khiển phù hợp cho băng LED. Dải LED là phần đế, phía trên một số vị trí tháo LED. Những cái đó có thể nhưng đứng trên 2, 3, 4 màu đỏ, điều đó không quan trọng.Điều quan trọng là bạn tìm ra cách kết nối giữa si.
Các chất bán dẫn được kết nối với băng và được chia thành các nhóm gồm 3 đèn LED, được mắc nối tiếp thông qua một bộ hạn chế dòng điện. Vsichki groupi từ đất nước của họ với một kết nối song song:

Sơ đồ nối dây cho một phần (trái) và dải đèn LED
Băng được bán ở Macari, thường dài 5 m và dành cho điện áp hoạt động 12 hoặc 24 V. Trong trường hợp thứ hai, mỗi nhóm không có 3 mà là 6 đèn LED. Có, giả sử bạn đã mua một cuộn băng 12 V với mức tiêu thụ năng lượng cụ thể là 14 W / m. Theo Tozi, tổng công suất tiêu dùng từ tsyalat kalerche vẫn là 14 * 5 = 70 watt. Ako thấy trubva có hợp lý không, bạn có thể cắt bỏ phần không cần thiết với điều kiện là có, tôi sẽ cắt giữa các phần. Ví dụ, cắt đi một nửa. Làm thế nào các đặc điểm sẽ thay đổi trong trường hợp này? Tự tiêu hao năng lượng: nó nặng một nửa.

Sự phân chia thành các phần có thể nhìn thấy rõ ràng và đánh dấu dori bằng chữ tượng hình bằng dao
Có phải tryabva cũng chỉ giới hạn ở các bộ ổn định hiện tại thông qua đèn LED thông thường? Tháo nó ra, trong một trường hợp kinh tởm, đốt cháy nó. Nhưng bạn có thể tháo điện trở ra, lắp từng phần trên băng. Để phục vụ cho giới hạn hiện tại và nó đã được chọn ngay từ đầu, nếu phần đó tự cung cấp chính xác 12 volt, thì đầu ra hiện tại của đèn LED vẫn là tối ưu. Nhiệm vụ của trình điều khiển trên dải đèn LED là hỗ trợ bảo vệ điện áp nghiêm ngặt ở mức 12 V. Điện trở đã dừng tất cả các điện trở giới hạn dòng điện.
Theo đó, sự khác biệt chính giữa dải đèn LED được lưu trữ và trình điều khiển LED thông thường không được cố định rõ ràng bởi điện áp ban đầu là 12 hoặc 24 V. Mặc dù không thể sử dụng trình điều khiển thông thường với điện áp ban đầu, mặt khác từ, từ 9 đến 14 V.
Dừng các tiêu chí lựa chọn trên kho dải LED, hãy làm theo:
- điện áp đầu vào... Phương pháp chọn sẽ loại bỏ loại trình điều khiển được sử dụng: thiết bị cũng được thiết kế cho loại điện áp và dòng điện đầu vào, để lưu băng LED;
- sức mạnh đi... Công suất trên trebva được lưu trữ và sẽ không cao hơn 10% so với công suất trên băng. Trong khi đó, nó không lớn, nhưng tất cả thời gian, chúng ta cần một biên độ vững chắc: hiệu quả của cấu trúc là nhỏ;
- lớp học muộn vào thứ Tư… Technikata e schata kato với trình điều khiển LED (nhìn vào ngọn núi): bụi và hơi ẩm không bị rung và lọt vào thiết bị.
Trình điều khiển phía sau băng LED không giống như chất lượng cao, nhưng bộ điều chỉnh điện áp là phổ biến. Để tạo ra một điện áp cố định nghiêm ngặt, nhưng tuyệt đối không tuân theo dòng điện đầu ra. Nếu bạn muốn thử nghiệm, bạn có thể sử dụng nó, ví dụ, để bảo vệ khối khỏi máy tính (xe buýt 12 V). Độ sáng và sự sốt sắng trên tapeta nyama vâng bdat zasegnati từ tov.
Sơ đồ liên kết đến trình điều khiển LED
Forest, vâng, bạn có thể sử dụng trình điều khiển LED, bạn có thể làm tất cả các cách. Tất cả các dấu hiệu được áp dụng ở trên cùng của vành đai. Đặt một điện áp đầu vào cho các dây đầu vào (INPUT), kết nối một đường dây từ đèn LED với các dây đầu ra (OUTPUT). Điều duy nhất là, vâng, có một sự co thắt của các cực, và hơn thế nữa, nó đúng đến từng chi tiết.
Phân cực đầu vào (INPUT)
Ako đang cảnh báo, nó bảo vệ người lái xe, nó liên tục, togava clemata, được đánh dấu bằng dấu “+”, tryabva và nếu nó được kết nối với cực dương trên đó. Nếu đó là một chút cảnh báo, hãy chú ý đến các dấu hiệu trên dây dẫn đầu vào. Lựa chọn tiếp theo đã khả thi:
- Markirane "L" và "N": thiết bị đầu cuối "L" trebva và áp dụng giai đoạn (nằm với sự trợ giúp của tuốc nơ vít chỉ thị), thiết bị đầu cuối "N" - không.
- Markiran "~", "AC" hoặc Lipswa: Không cần co thắt cực.
Phân cực ở đầu ra (OUTPUT)
Tuk vinagi se spazva cực! Dây dẫn dương được nối với cực dương dẫn đến đèn LED đầu tiên, dây dẫn âm với cực âm dẫn đến đèn cuối cùng. Bản thân các đèn LED được kết nối với nhau: cực dương với cực âm tiếp theo với cực trước.

Được kết nối với vòng hoa trình điều khiển kam từ ba đèn LED, được kết nối nối tiếp
Ako imate rất nhiều đèn LED (vâng, chúng ta đang nói chuyện, 12 br.), togava những bộ phận tryabva và bdat đó thành nakkolko ednakvi groupi và tezi groupi tryabva và bdat kết nối song song. Trong một thời gian ngắn, hãy nhớ rằng tổng công suất tiêu thụ trên đèn chiếu sáng sẽ được tổng hợp nhiều hơn từ công suất trên đèn của nhóm và công việc của điện áp thậm chí còn bằng với điện áp trên cùng một nhóm.


Với phương pháp tosi trên dòng điện được kết nối trên bốn nhóm đèn LED, chúng thu thập
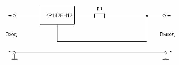
Trình điều khiển tuyến tính si trực tiếp cho đèn LED
Chúng ta sẽ có một số cuộc phiêu lưu với lý thuyết, nhưng hãy bỏ qua phần thực hành và vâng, hãy kết hợp một trình điều khiển tuyến tính với hệ thống của riêng chúng ta. Nay-lesniyat bắt đầu giải quyết các vấn đề trên Tozi và sử dụng bộ ổn định tích hợp được sử dụng rộng rãi KR142EN12A (một loại tương tự của LM317 đã được giới thiệu). Vâng, bạn có thể cố gắng tìm một cửa hàng phù hợp và một khoản tiền khoảng 20 rúp. Vật liệu và dụng cụ cần thiết: mỏ hàn, máy thử và dây dẫn.
Vi mạch này được thiết kế cho điện áp đầu vào lên tới 40 V, dòng điện lên tới 1,5 A và quan trọng nhất là nó được bảo vệ khỏi quá trình sản xuất trước, kết nối và quá nhiệt. Vyarno e, bốn bộ điều chỉnh điện áp và tia nước và bộ ổn định dòng điện.Nhưng hãy giải quyết những vấn đề này nhiều hơn nữa, hãy thay đổi mạch điển hình để đưa vào một vi mạch.

Trình điều khiển LED phổ quát cho bộ ổn định lớp
Âm thanh của vi mạch là từ việc sử dụng phần tử điều chỉnh kato, một số bộ ổn định dòng điện trên trường nhất định. Giá trị của dòng điện là bao nhiêu? Mọi thứ phụ thuộc vào điện trở của điện trở R1, được tính theo công thức đơn giản: R \u003d 1.2 / I chẳng hạn:
- R là điện trở tính bằng ôm;
- Tôi e yêu cầu hiện tại trong amps.
Vì lý do nào đó, hãy bảo vệ trình điều khiển cho các đèn LED này, từ đâu sang phải, đèn bàn ở đầu statiyata. Và vì vậy, imame cần một trình điều khiển cho điện áp 9,9 V và dòng điện ổn định 300 mA. Tính giá trị của điện trở R1: 1,2 / 0,3 = 4 ôm. Thay đổi điện trở kato vào mạch hiện tại, lựa chọn công suất quá nhỏ 4 W.
Điện trở sa gõ lý tưởng, bò vào hầu hết tất cả các TV kato vắt điện (taki ima tất cả các cửa hàng). Imat công suất 2 W và điện trở 1-2 ohms. Ako điện trở là một ohm duy nhất, togava những người vẫn cần từ 4 broy, ako hai ohm-2 broy. Các sóng là tuần tự, vì vậy và do đó chúng tạo thành các lực cản.
Gắn vi mạch vào bộ tản nhiệt nhỏ và kết nối dây từ ba kết nối tuần tự đèn LED của đầu ra với trình điều khiển của chúng tôi, giúp tiết kiệm cực. Bạn có thể bật nó lên. Nhưng ở đâu? Điện áp đầu vào cho trình điều khiển tosy là gì? Ở đây đất là niềm vui. Điện áp ở lối vào là tryabva và thậm chí nhiều hơn 2-3 volt từ tov, từ một số thứ họ cần đèn LED, nhưng không quá 40 V - vi mạch ngày càng đắt hơn.
Trong trường hợp cụ thể của chúng tôi, tất cả các đèn LED đều cần từ 9,9 V. Điều này có nghĩa là đầu vào có thể được cung cấp liên tục với điện áp từ 12 đến 40 V. Điện áp có thể không ổn định.Bộ tích lũy cho cọc, được lưu trữ trên máy tính xách tay hoặc máy tính, hạ thấp máy biến áp xuống cầu đi-ốt. Svarzvame kìa, phân cực spazviki và fenercheto chưa sẵn sàng!
Vì vậy, cuộc trò chuyện cho cuộc phiêu lưu LED shofiorite là gì. Nadyavam, bây giờ bạn không biết tầm quan trọng của công việc, nhưng bạn thậm chí có thể chọn cái phù hợp, và ngay cả khi cần thiết, hãy dory và đặt nó xuống với mẹ của bạn.
Kế tiếpLED Thông số và đặc tính kỹ thuật trên LED có kích thước tiêu chuẩn SMD 3014