Làm thế nào để sửa chữa tất cả các polyl LED
Đèn LED thường được sử dụng để chiếu sáng trong khuôn viên nhà ở. Những thứ đó sẽ tích cực thay thế các loại nguồn khác bằng ánh sáng - đèn bằng bình thắp sáng và xả khí. Điốt phát sáng imat bật - chất lượng tốt trên svetlinata, những cái đó trên - izdzhlivi và trên - bezopasni. Mặc dù có tuổi thọ cao trên chất bán dẫn, các thiết bị chiếu sáng vẫn rất khó sử dụng. Trong lưu vực, chúng tôi cũng sẽ tự mình xem xét các sự cố và sửa chữa điển hình trên đèn LED polyls.
Ngăn chặn: 1. Các trục trặc điển hình trên polylay với đèn có thể thay thế và cách khắc phục chúng 2. Bảng LED hoạt động sai với đèn LED không thể thay thế
Các trục trặc điển hình trên polylay với đèn có thể thay thế và cách khắc phục chúng
Chúng tôi sẽ chôn một số bằng một cái hố, được trang bị một cái giá đỡ. Trong tyah krushkite, dành cho 220 V với đế E27 (E14), chỉ cần vặn chặt và thay thế lâm nghiệp. Vsshchnost tova sa vu khống những thi thể bò ra từ đống đổ nát từ zhichka bị chém. Chọn các trục trặc chính trên thiết bị chiếu sáng như vậy và nguyên nhân gây ra chúng.
Ima LED polylays với ổ cắm GU10. Đèn có đế như vậy dùng cho mục đích thay đổi điện áp từ 220 V.

LED đổ nắp có đế GU10
Bảo vệ đèn không tỏa sáng hoặc nhấp nháy
Cần kiểm tra tính chính xác của trục khuỷu nếu bạn thay đổi nó từ một cơ sở làm việc đã biết và tiết kiệm điện áp. Ako vsichko e bên cạnh cô ấy, togawa kiểm tra tính chính xác của công tắc trước và kabelevaneto. Đánh dấu vào khối đầu cực trên đèn và xác định điện áp trên tiếp điểm, khi bật công tắc. Sử dụng nhiều bộ hoặc đèn thử cho Celta.Tại thời điểm này, hãy kiểm tra kết nối với dây dẫn trong khối phân phối và liên hệ với công tắc trước.

Tryabva có điện áp ima trên các kẹp này, đôi khi công tắc được bật.
Bước tiếp theo là kiểm tra tính chính xác của cáp trên polylay. Ví dụ: kiểm tra dây dẫn xem có bị hư hỏng không và gi izdarpvame một cách dễ dàng, đảm bảo với bạn rằng khi bạn cố định dây dẫn một cách hợp lý, bạn nên đặt nó vào băng cassette.
Tắt điện trong tổng đài. Một shrakvane trên bộ chuyển đổi là không đủ. Nếu một cái gì đó sai hoặc khiếm khuyết, hoặc nếu nó bị loại trừ bằng cách nào đó, thì nó thậm chí có thể phải chịu áp lực rất lớn!
Bước tiếp theo là một băng cassette. Chủ yếu là vượt qua "bolest" trên người bảo trợ với một vết cắt trên Edison e bị lỏng hoặc cháy sém trên liên hệ trung tâm và trang (hay còn gọi là ima taqv). Izklyuchvame polyley, dập tắt krukata và kiểm tra cẩn thận tiếp điểm trung tâm trên hộp mực. Bạn không thửabva vâng, coi chừng quá trình oxy hóa và bốc khói. Chụp thì chỗ tiếp xúc với lampat tốt hơn và kém hơn, tỏa nhiệt hết cả người. Theo dòng thời gian, mọi thứ đều bị đốt cháy.

Izgarene khi tiếp xúc trên băng cassette
Bây giờ hãy thử và kiểm tra xem nó đã được siết chặt trên chân vịt chưa, vặn chặt tiếp điểm vào băng cassette. Những tryabva và sa stegnati tốt và không bị thâm hay cháy. Một số mô hình buồng hộp mực sử dụng vít thay vì vít. Ako sa nới lỏng, togava cassetata thêm tryabva và thay đổi hoàn toàn.

Kiểm tra độ kín của các vít này
Kiểm tra, cạo trên các dây dẫn. Povecheto cassette sa vít. Chỉ cần kiểm tra định kỳ và vỗ nhẹ - tất cả đều run và được nhét lên, đừng run và sa lỏng hoặc vắt ra từ dưới máy giặt.

Không có gì mát mẻ hoặc bị oxy hóa
Và một vài vấn đề cuối cùng với những người bảo trợ ngân sách.Tiếp điểm giữa được định hướng từ kim loại đàn hồi yếu. Với dòng chảy trong một thời gian, nó quay trở lại, không chạm tới chân đèn. Đất cuối cùng và khoảnh khắc hoặc dory không tỏa sáng chút nào. Đó là "xử lý" bằng tuốc nơ vít. Pregvame liên hệ trung tâm, một điều như vậy là đạt được.

Pregvane trên liên lạc trung tâm vyvisnalia trên mâm cặp
GU10 ima giống như một vấn đề - liên hệ với potvane. Ako krushkata treo trong tổ, togawa contact sa rõ ràng là yếu đi. Izvadame đi và chạm nhẹ vào hộp mực bằng dùi.

Liên hệ tryabva có bán bắn nhẹ dọc theo lan can trên mũi tên
Lampite zagaryat barzo
Đèn LED bị hỏng mỗi khi nó bị hỏng từ cạnh trong thời gian bảo hành. Nguyên nhân có thể do sản phẩm kém chất lượng, nhưng thường xảy ra sự cố do đèn hoạt động không đúng cách. Một số tùy chọn thứ hai razgleame. Một chiếc đèn như vậy có thể bị tắt và cháy vì những lý do sau:
- tiếp xúc kém trong hộp phân phối;
- trục trặc trên preswitcher;
- trục trặc trên hộp mực (cháy, oxy hóa, v.v.);
- tăng điện áp trong mrezhat;
- pregryavane.
Đại lý cutia... Thuốc sắc kutiite, người sẽ bị ngăn cản vì đã cất giữ nó để làm đèn chiếu và kiểm tra tình trạng của bạn đối với dây cáp vrazka. Không có gì rung chuyển, nhưng đốt cháy, nhưng kìa, hoặc có, dừng lại.

Trong takawa kutia, bạn không thể và ima vui lòng liên hệ theo định nghĩa.
Bao gồm trước. Có thể có sự cố ở đây, một số tiếp điểm trên công tắc bị cháy, đấu nối kém chất lượng để bảo vệ dây dẫn, bạn có thể cắm phích cắm trên công tắc. Kiểm tra, nếu cần, nới lỏng và làm sạch hoặc thay đổi bộ chuyển mạch trước.

Công tắc rõ ràng là bị lỗi, nhưng rõ ràng là nó có chức năng riêng
Hộp đạn. Veche obsjdikhme trục trặc, vyrzani từ băng cassette đến phần trước. Nyama và lặp lại nó.
Tăng căng thẳng. Xác định điện áp tiếp xúc với multicet. Chúng tôi hiệu chỉnh một số phép đo vào các thời điểm khác nhau trong ngày. Nếu điện áp quá cao (hơn từ 230 - 235 V) thì có hai khả năng xảy ra:
- Hãy liên lạc với nhà cung cấp điện của bạn và để họ khắc phục sự cố.
- Mua đèn dành cho điện áp làm việc cao. Khi nguồn LED sáng, chi phí ở trên cùng của đế và được đóng gói.

Đèn tasi có thể hoạt động với điện áp từ 220 đến 240 V
Pregryavane. Thường sở hữu polylays LED với mù senki se blasquat với vấn đề tozi. Nếu bạn lắp một nắp có công suất cao hơn nắp được sử dụng trong loại đèn như vậy, thì việc làm nóng trước sẽ khó khăn hơn và nhanh hỏng hơn. Trước hết, chúng tôi sẽ mua một đèn dự phòng, chúng tôi sẽ nghiên cứu tài liệu về đèn và lắp đặt nguồn điện cho đèn, được chuyển từ nhà sản xuất.

Trong một chiếc đèn như vậy, chắc chắn, mạnh mẽ, ấm áp hơn.
Tỏa sáng yếu ớt
Chesto krushkata đất và đốt bằng chất đốt nhiên liệu. Điều gì có thể là lý do:
- không đủ điện áp trong phương tiện truyền thông;
- bộ lưu trữ đèn LED bị lỗi (trình điều khiển);
- cháy đèn LED;
- Mất liên lạc trong các bộ phận chuyển hướng và làm loãng các bộ phận dễ thương.
Điện áp thấp... Đo độ căng trong lối ra từ multiset. Ako e rất nhiều ở mức thấp so với normalnoto, kanim maystor. Trái ngược với Đồng chí, bạn có thể để mình được nhìn thấy một lớp sơn như vậy trong tình trạng báo động, mà không cần đa nhiệm. Đủ ăn và nhìn độ sáng của các đèn body khác, nhất là các loại đèn dùng từ đèn cốt.

Sự căng thẳng trên các phương tiện truyền thông rõ ràng là bị đánh giá thấp
Khi điện áp thấp, đèn LED không sáng khi nhiên liệu đầy.Thông thường, trong tình huống như vậy, đó là một tay quay bình dân với trình điều khiển nguyên thủy cho định dạng trên tụ điện cứng và đèn đi-ốt chính yếu. Đèn có điện áp thấp hơn bình thường trên trình điều khiển hoặc tiếp tục và hoạt động bình thường hoặc tắt.

Đèn có trình điều khiển như vậy sáng khi nhiên liệu đầy khi điện áp thấp
Tài xế. Ako ima rất nhiều tội lỗi, trình điều khiển không cung cấp đủ dòng điện cho đèn LED. Một trong những lựa chọn là hư hỏng nhiều hơn đối với bộ chuyển đổi dòng điện hoặc tụ điện cứng. Một trục trặc khác trên khối phía sau bộ điều chỉnh độ sáng (đằng sau các nắp có thể điều chỉnh độ sáng). Trong trường hợp Tozi, chất bán dẫn sẽ cháy hết, nhưng yếu. Aco ste kỹ sư đài phát thanh, kiểm tra nó ra và sửa chữa nó. Không - thay đổi cyalata krushka.
Đi-ốt phát sáng... Nếu có nhiều chất bán dẫn và đèn LED, chúng được kết nối từng cái một hoặc cái khác bắt đầu. Một trong các dây tùy chọn hơi mắc nối tiếp với chất bán dẫn và mắc dây song song. Trong trường hợp này, nếu một diode làm hỏng nó, chuỗi sẽ hết gas. Nyama và sửa chữa thiết bị.
Cáp và chất nền... Giày loshoto usukvane hoặc giày bị cháy có thể có lực cản tiếp xúc lớn và thường làm hỏng giày khi bạn va đập.
Tova trường hợp này liên tiếp, điện trở ty kato bị cháy hết, trở thành “pluv” thông thường, thay vì có, nó được hỗ trợ trên trường ổn định. Hãy tự mình kiểm tra, nhưng tìm thấy nó, có thể là không cần yêu cầu.
Svetva, người đã tắt
Bật nhẹ lên 1 chút ở polyline bật dori lên nhưng hết phím. Osventova, bằng cách nào đó với độ sáng đầy đủ, vì vậy với đầy đủ nhiên liệu. Nguyên nhân, vì lợi ích của koito lampata từ ngọn lửa, dấu vết bị loại trừ, và hãy làm theo:
- cáp bị lỗi với công tắc chuyển sang dây dẫn trung tính;
- Đèn bị lỗi công tắc ở dây trung tính.
Spore chuẩn hóa công tắc cho thiết bị chiếu sáng cố định và được lắp đặt khi chuyển sang dây pha. Nhưng không phải tất cả các thiết bị điện do công nhân lắp đặt cáp đều bám chắc vào đá. Preksvach, được cài đặt khi preksvane trên một dây dẫn trung tính, và ở trạng thái, tưởng tượng rất nhiều từ bên ngoài. Ví dụ: dori bị loại khỏi polyley mozhe da vie shokira. Một điều kỳ diệu khác là sự tỏa sáng của dori kogato lampata, được loại trừ rõ ràng.
cáp bị lỗi... Nhìn vào sơ đồ dọc phía dưới. Với công tắc trước được lắp đặt trong dây trung tính, đèn được lưu trữ vĩnh viễn. Công tắc bị tắt, không có dòng điện, đèn không tắt.

Iztichaneto trên trái đất có thể có nakara lampata có tỏa sáng, đôi khi nó bị loại trừ
Nhưng ngay sau khi chúng rơi xuống đất ở khu vực trên dây cáp giữa đèn và công tắc (markiran trong cherveno), bây giờ chúng xuất hiện và đèn sáng hơn. Osventova, tova không phải là người tìm kiếm, chắc chắn là một liên minh trần thế trọn vẹn. Để hoạt động ở cuộn dây LED 7 W, dòng điện 30 mA là đủ.
Ako krushkata ima là một trình điều khiển thông thường, một tụ điện dập tắt bị phồng lên ở phía trên, sau đó khó sao lưu hơn và tỏa sáng rực rỡ ở dòng điện thấp hơn nhiều.
Nguyên nhân rò rỉ nhỏ: hệ thống cáp cũ với lớp cách điện bị mòn, đóng “thành công” một quả piron vào stenata, tường và hộp phân phối ẩm ướt (lũ từ trong nhà), độ ẩm cao trong phòng, do hệ thống cáp cũ và lắp đặt kém.
polyley khiếm khuyết... Nó tốt hơn tryabva và trái đất của polyley kim loại hiện đại. Vâng, giả sử rằng đường đa tuyến được nối đất và công tắc được đặt trong prekvane trên dây dẫn trung tính. Ako cuối cùng trong polyleya, đóng phần thân kim loại ở phía trên lại, sau đó đèn vẫn sáng cho đến khi tắt công tắc.

Trong trường hợp có sự cố như vậy và chuyển sang “không”, đèn vẫn sáng
Sơ đồ cho thấy rằng không có gì phụ thuộc vào vị trí trên công tắc. Fazata, "preminavascha" prez lampata, dây dẫn nối đất cao cấp hơn, một thứ khác được mang đến cho chiếc đèn bị cháy.
Flash, khi tắt công tắc
Chúng ta hãy xem tại sao đèn LED bị tắt trong giây lát. Có rất nhiều thứ. Có hai lý do:
- cáp bị lỗi, đôi khi chuyển sang "không";
- bao gồm cả ánh sáng.
Lắp đặt điện... Hãy nghĩ cho một rò rỉ, cho một số chúng tôi nói một chút trong đau buồn. Ako tokt trên iztichane là không đủ, nhưng krushkata đã chìm xuống, togava cha yama và light - neiniyat driver yama và starter. Dòng điện Tosi thường ổn định hơn và sạc bình ngưng trong verigata.
Hiệu điện thế trong tụ điện tăng dần. Trong khi chờ đợi, chúng tôi đã đạt được chi phí, đủ để khởi động trình điều khiển, bật và tắt đèn LED liên tục, sử dụng năng lượng tiết kiệm được từ tụ điện. Năng lượng Tazi nhỏ, tụ điện bị loãng và trình điều khiển bị tắt. Svetlinata trong một khoảnh khắc tại một thời điểm. Lặp lại quy trình tiếp theo, buộc cái bật lửa và một lúc theo định kỳ.
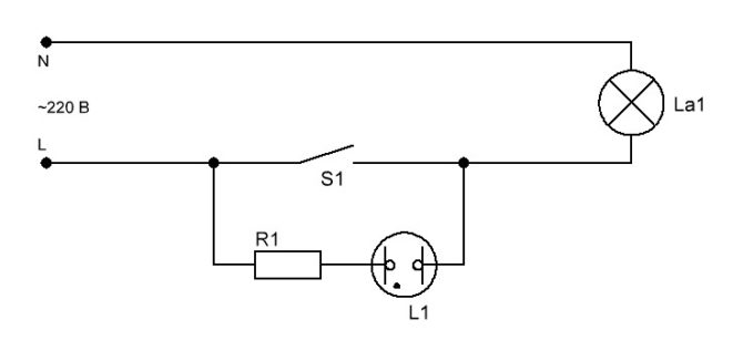
đèn nền. Nếu công tắc được trang bị đèn nền, thì khi ấn nút sáng bằng đèn LED hoặc đèn huỳnh quang vào nắp, chúng ta có thể nhận được đèn nhấp nháy định kỳ. Lý do cho điều này là một dòng điện nhỏ, liên tục làm gián đoạn prez krushkat. Nhìn vào sơ đồ trên đường đi.

Sơ đồ có dây trên phím prez của thanh chiếu sáng với sự làm rõ
Từ sơ đồ xem có tắt S1 không, sau đó đổi đèn này sang đèn La1, điện trở hạn dòng R1 và đèn xả khí cho đèn L1 sáng, không hiểu sao mình lại sáng. Dòng điện Tozi nhỏ và là một chiếc đèn bình thường với một chiếc dori nyama được thắp sáng và chuyển sang màu trắng.Nhưng nó không đủ để làm trơn bình ngưng để cấp nước, nhưng nó an toàn và mát. Trong một ước tính cực đoan, La1 vẫn còn một chút nữa, bằng cách nào đó trong trường hợp trước. Làm thế nào bạn có thể xé mình ra khỏi vấn đề của bạn? Tùy chọn đầu tiên là tắt đèn nền, thao tác này sẽ tắt đèn L1 hoặc đèn LED từ công tắc.
Bảng LED hoạt động sai với đèn LED không thể thay thế
Thay đổi từ sửa chữa sang polylays LED, thiết bị có vỏ có thể thay thế. Hãy lấy một ít nước LED từ hàng rào LED.

Không thể thay đổi nắp theo cách như vậy - thay vì cài đặt các mô-đun LED
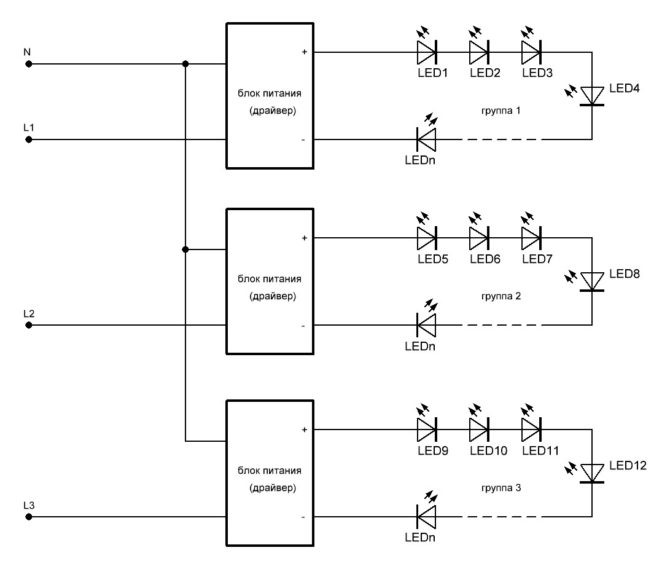
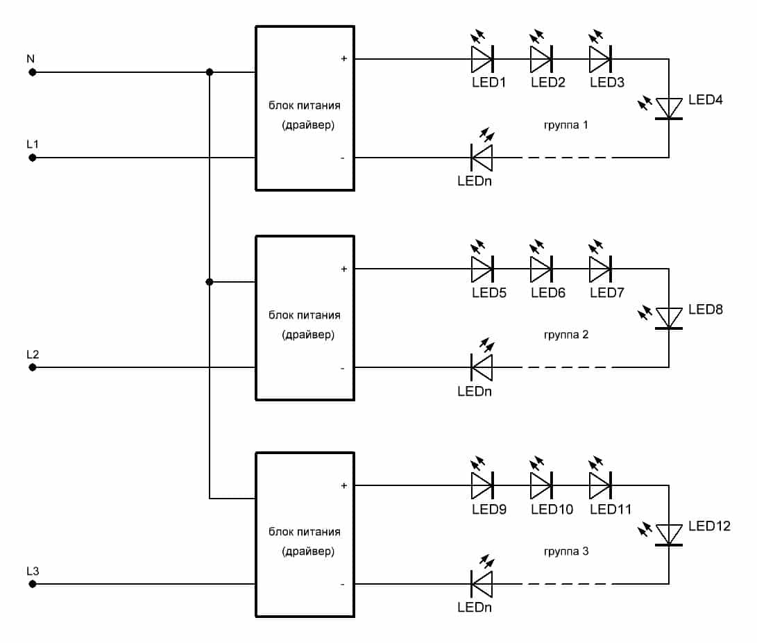
Để bắt đầu, chúng ta hãy xem một sơ đồ điển hình cho đèn chiếu sáng LED thông thường với nguồn được phân loại trên một vạch sáng.

Sơ đồ tìm một đèn chiếu sáng LED đơn giản với một nhóm đèn LED
Nguyên tắc của việc không làm tốt rất đơn giản. Điện áp xen kẽ của tất cả các nguồn cung cấp cho mô-đun được lưu trữ, một số đèn LED được lưu trữ trên mô-đun với điện áp và dòng điện cần thiết. Ako sẽ đổ tên module 1 chút, rồi driver tách ra khỏi bộ cài tyah e. Tova bạn cho phép và điều khiển bật riêng nhóm đèn LED.

Sơ đồ cho polylays với các nhóm đèn LED hơi độc lập
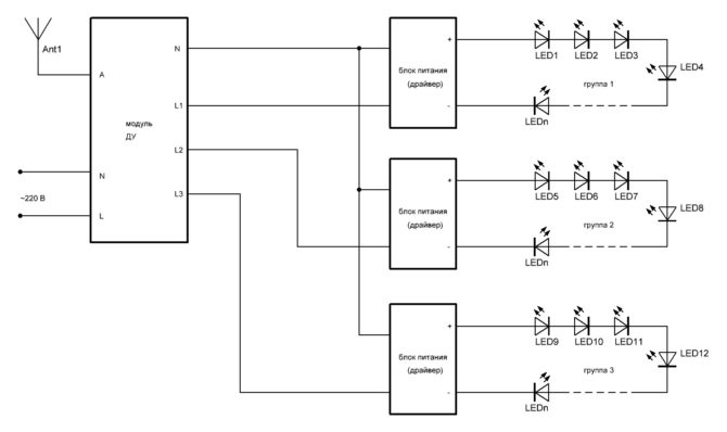
Một khả năng khác là mô-đun điều khiển từ xa (RC), tùy thuộc vào thiết kế, trên thân đèn có thể bật hoặc tắt một nhóm (hoặc chỉ một đèn) và thay đổi màu sắc, độ sáng, v.v., có thể được sử dụng mà không cần điều khiển từ xa.

Chuỗi chiếu sáng với điều khiển từ xa cho ba nhóm đèn LED
Các lỗi cơ bản trên đèn tosi type sa như sau:
- vodacht không hoạt động;
- điều khiển từ xa bị lỗi (ima là gì);
- mô-đun bị lỗi cho điều khiển từ xa (còn gọi là ima taqv);
- một hoặc một nhóm đèn LED và bị ruồng bỏ.
Ako polyleyat bị loại trừ, bạn sẽ chắc chắn rằng nó được lưu trữ.Nếu có, hãy gửi hàng hóa, kiểm tra điện áp không liên tục ở đầu vào trên thanh chiếu sáng bằng vôn kế hoặc đồng hồ vạn năng, được bật ở chế độ phản hồi khi đo.
Razbrahme vzlite, hãy tiếp tục kiểm tra và sửa chữa chúng.
Kiểm tra và đổi thành zashranvaneto
Chúng tôi sẽ tiết kiệm một số với đèn LED. Trong các thân đèn LED, hãy sử dụng bộ ổn định dòng điện, trong mọi trường hợp (xin lỗi và các polyley thông thường) hoạt động như một bộ ổn định điện áp. Cuối cùng, thứ trước mắt chúng ta là bộ ổn định dòng điện hoặc điện áp.
Bộ ổn định cho dòng điện hoặc điện áp
Các đặc điểm cấp nước có sẵn trong tài liệu thân thiện và cho kutiyata trên thiết bị. Ostava có gi phân tíchsirame.

Loại và đặc điểm trên tài liệu ký gửi thường sa tham chiếu đến kutiyat
Hãy suy nghĩ cho thiết bị trên hình ảnh trên núi. Đặc điểm trên Tozi otlyavo sa bằng cách nào đó như sau:
- tiết kiệm điện áp - 85-265 V (sắc nét);
- điện áp ban đầu - 12-26 V (không đổi);
- dòng điện đầu ra - 300 mA ± 5%.
Bây giờ có một số và razgledame được lưu trữ, nó được hiển thị rõ ràng:
- tiết kiệm điện áp - 100-240 V (sắc bén);
- điện áp ban đầu - 12 V ± 5% (không đổi);
- dòng điện đầu ra - 1,5 A;
- công suất ban đầu - 18 watt.
Xin lưu ý rằng trên trình điều khiển, điện áp ban đầu được chỉ định từ chu vi và chỉ từ mặt đất với độ chính xác 5%. Trên thiết bị thứ hai, điện áp được đặt chính xác - 12 V ± 5%. Tova cho rằng bộ ổn định dòng điện yếu và bộ ổn áp rõ ràng. Prviyat trình điều khiển vẫn hỗ trợ dòng điện của sản phẩm từ 300 mA, điều này sẽ thay đổi điện áp lên trên cùng của nó để xác định phạm vi ở mức giá riêng. Thiết bị thứ hai cũng sẽ cung cấp chính xác 12 V. 1,5 A là dòng điện tối đa bạn có thể cung cấp.
kiểm tra tính chính xác
Với bộ điều chỉnh độ căng, mọi thứ đều đơn giản.Bật đèn và đo điện áp ban đầu trên trình điều khiển. Ako không khuyến khích yêu cầu thông số kỹ thuật (trong trường hợp của chúng tôi là 12 V), togawa sẽ lưu khối công việc. Ở Tozi, vụ án là một cơn gió thoảng qua và tỏa sáng rực rỡ. Mức tiêu thụ hiện tại từ được lưu trữ vẫn còn khoảng 500-600 mA.
Bộ ổn định Segashnyat rất phức tạp. Điều quan trọng là bạn phải đảm bảo rằng nó được lưu trữ trong khi duy trì đúng dòng điện và bạn không thể hướng nó từ phép đo sang điện áp. Nếu mô-đun LED bị lỗi, điện áp ban đầu trong một số kiểu trình điều khiển nói chung có thể là có, không - nếu sản phẩm bị hỏng, những điện áp đó sẽ được bảo vệ và điều này bị loại trừ. Đối với có, chúng tôi sẽ kiểm tra bộ ổn định cho hiện tại, các imam cần từ hàng hóa. Hãy tính một số theo công thức:
Điện trở Natovarvana (Ohm) = Điện áp đầu vào trung bình tại PSU (V) / dòng điện đầu ra (A)
Để bảo vệ sức đề kháng của chúng tôi, bằng cách nào đó, nó vẫn tuân theo natovarvane: 19 (trung bình từ 12 đến 26) / 0,3 = 63 ôm. Trong trường hợp này, công suất bị tiêu tán bởi công suất với hàng hóa trên hàng hóa vẫn xấp xỉ 6 W, nhưng để thử nghiệm ngắn hạn, bạn có thể lấy một điện trở và công suất nhỏ - 1-2 W. Ako điện trở prez natvarvashchiya hiện tại phù hợp với quy định trong thông số kỹ thuật (trong trường hợp của chúng tôi là 300 mA), sau đó công việc được lưu trữ.
Làm thế nào để bạn thay thế
Razbrahme, những gì có thể được lưu trữ cho polylays LED và có thể được ổn định bằng cách nào đó cho dòng điện và điện áp. Tova e parvoto và nai - một điều kiện quan trọng, một số tryabva và tất cả spazva khi cố gắng thay thế một vật thay thế. Ngừng tìm sa trong thung lũng. Ổn áp Ako imameto, togawa:
- Điện áp ở đầu ra của nhiễu loạn phải nằm trong phạm vi của điện áp đầu vào của thiết bị.
- Điện áp ban đầu trên thiết bị mới bị rung chính xác và phản ứng với điện áp ban đầu bị hỏng.
- Izkhodniyat hiện tại (sức mạnh) trên trình điều khiển mới tryabva có bde không một chút từ tozi, một số cũ có thể có osiguri.
Nếu muốn lưu dòng ss ổn định thì tiêu chí chọn ss như sau:
- Điện áp trong tiếp xúc e nằm trong phạm vi điện áp đầu vào của thiết bị.
- Thoát dòng điện sang thiết bị mới, tránh dòng điện bị hư.
- Phạm vi bao phủ của điện áp ban đầu trên trình điều khiển mới khác rất ít so với điện áp trên thiết bị lưu trữ cũ.
Vi phạm bất kỳ điều kiện nào trong số này có thể dẫn đến các vấn đề nghiêm trọng. Với sự tử tế, vụ việc sẽ trở nên đa dạng và “sống động hơn”; Trong hầu hết các trường hợp, chúng tôi sẽ đốt cháy ma trận LED hoặc trình điều khiển.
Quan trọng! Không lưu trữ đèn LED từ máy biến áp điện tử. Người cuối cùng đưa ra một sự căng thẳng có thể thay đổi. Nó không thích hợp để lưu trữ trên đèn LED và nó sẽ cháy trở lại. Một thiết bị như vậy được sử dụng riêng để lưu trữ trên đèn có công tắc điều áp với điện áp thấp.

Máy biến áp Tozi là 12 V và có giá 8 A, nhưng có thể tiêu hao điện áp do sơ suất.
Kiểm tra khối để điều khiển trên radio
Bây giờ hãy nói về polyley với điều khiển từ xa. Imat được trang bị rơle vô tuyến, cho phép bạn điều khiển và vận hành thiết bị chiếu sáng bằng điều khiển từ xa. Một rơle như vậy có thể và có thể bằng cách nào đó không-xin lỗi (bật / tắt), như vậy và đa kênh, vì một lý do nào đó bạn cho phép và quản lý các nhóm đèn riêng biệt. Thiết bị Ima có điều khiển độ sáng, thời gian bật/tắt có thể lập trình, v.v.
Trong phần "Các lỗi trên bảng LED âm sàn với đèn LED không thể thay thế", bạn có thể xem sơ đồ cho led polyol với mô-đun vô hồn ba kênh để điều khiển.Hãy lấy một ví dụ.

Mô-đun điều khiển ba kênh vô hồn với điều khiển từ xa
Bằng cách nào đó bạn có thể thấy trong hình, sơ đồ kết nối không hoàn toàn đúng, nó giống hệt như rơi xuống từ ánh sáng chói trên núi. Kèm theo là bảo vệ điện áp của dây dẫn màu đen và đỏ, và khóa fazata (màu đỏ) được lưu trữ, phục vụ như một ngoại lệ cho thanh chiếu sáng trong thời gian hỗ trợ.
Đèn nhóm (thường là 3) có dây dẫn màu đen (chung) và vàng, trắng, xanh lam (L1, L2, L3). Điện áp ở các cực L1, L2, L3 là 220 V, do đó, trong mạch của chúng tôi, thay vì đèn, chúng tôi sử dụng trình điều khiển LED để bảo vệ các mô-đun bán dẫn.
Làm thế nào để bạn kiểm tra âm thanh trên mô-đun radio?
Hãy bắt đầu với điều khiển từ xa. Đo độ căng trên pin. Mô hình Tosi được làm từ pin 12 volt A23. Ako cảnh báo tiếp theo, rất có thể vấn đề là ở polyley. Stigame với mô-đun radio, với nhiều bộ kiểm tra điện áp xen kẽ trên các dây dẫn màu đen và đỏ. phải không? Đèn không được bảo vệ. Kiểm tra cáp và công tắc trên stenat. Tôi là ai? Tiếp tục về phía trước. Người kiểm tra đã được cảnh báo rằng khi bạn xuất hiện trên mô-đun radio, bạn sẽ nhấn nút phản hồi trên điều khiển từ xa. Izmervame trên clemet có màu đen và vàng, đen và trắng và đen và xanh.
Tuy nhiên, nếu nó không xuất hiện hoặc biến mất trên dây dẫn hoặc trên vết cọ xát (nhóm đèn sáng liên tục), thì mô-đun vẫn phải được thay thế. Ako vsichko e, thì vấn đề không nằm ở mô-đun radio, mà ở trình điều khiển cho kênh phản hồi hoặc ở mô-đun LED.
Bạn dẫn đầu từ điều gì khi chuyển sang mô-đun radio? Đương nhiên, không phải e người mẫu. Tương tự Kogato tarsim, quan tâm nhiều hơn đến:
- tiết kiệm điện áp... Điện áp ở đầu ra của trebva và nằm trong phạm vi được chỉ định trong thông số kỹ thuật của mô-đun radio.
- Kênh Broy... Tối ưu - Kato không thành công, nhưng chúng có thể được ném theo cách khác. Nó được phép lưu một thiết bị một kênh như vậy bằng cách liên kết nó với một nhóm đèn.
- Khả năng đưa trước hàng hóa trên mỗi kênh... Nguồn điện được truyền từ kênh sang mô-đun radio bị rung lắc và không có nhiều từ nguồn điện đến trình điều khiển.
- Điện áp ban đầu trên mỗi kênh… Người ta thường xác định trước rằng ở đầu ra của mô-đun radio, nó được đặt để bảo vệ điện áp, nhưng nếu muốn, bạn có thể đặt thiết bị từ một nguồn điện áp khác hoặc từ một định dạng con để đóng / mở tiếp điểm rơle bình thường. Nếu có, hãy sử dụng một mô hình như vậy, nghiêm túc hơn và kiểm tra lại sơ đồ cho mu polyley được kết nối.
Bạn dự định như thế nào, hãy mang nó lên và thay thế đèn LED bị cháy
Nyakolko nghĩ về chẩn đoán và sửa chữa trên các mô-đun LED. Cùng một dòng được kết nối từ đèn LED, được kết nối nối tiếp, ngược lại với các mô-đun khác, bao gồm một số dòng giống nhau, được kết nối song song thông qua các bộ hạn chế dòng điện. Trong mọi trường hợp, nhiệm vụ của chúng tôi là để đèn LED không thành công, bằng cách nào đó ngăn ánh sáng chiếu vào đường dây.
Đèn LED bị lỗi Tarsim
Một số sử dụng máy kiểm tra (đối với chỉ báo ưu tiên). Khi số hóa thiết bị, điện áp trên sondite có thể không đủ để đánh lửa đèn LED từ nguồn điện có điện áp cao. Bật thiết bị kỹ thuật số ở chế độ kiểm tra diode, nó hiển thị - ở chế độ đo điện trở cao.
Nie narichame tất cả các đèn LED trong ô cửa. Ako điốt phát sáng trong một từ tyah, có thể và được thu thập thông tin.Khi gõ ánh sáng đó, rất nhiều là yếu, nhưng sau đó, theo một cách tốt, hãy kiểm tra một chút ánh sáng xung quanh.

Tozi dẫn e nhé
Tuy nhiên, không có dấu hiệu trên bụng, điện áp trên sonite trên thiết bị cũng thấp. Không phù hợp cho mục đích của chúng tôi.
Ako nyamate multitset phù hợp dưới raka, bạn có thể sử dụng một phương pháp khác. Bật nguồn sáng trong mrejata và với nút nhảy ngắn (!) Svyarzvame trên caso cho đến hết đèn LED. Dấu vết của mô-đun cato sống động hơn, vì đèn LED bị lỗi. Nhược điểm duy nhất của phương pháp này là nó không thể do lỗi gây ra, vì điốt bị cháy một chút. Tova e rowkost, but se sluchva.
Ima and friend, phương pháp an toàn và nhẹ nhàng. Chúng tôi cung cấp điện áp khoảng 5-9 V cho đèn LED thông qua điện trở giới hạn dòng điện 500-1000 ohms. Đồng thời, vị trí đi-ốt trên sondit vẫn sáng rực rỡ.
Thường thì đèn LED bị cháy trực quan. Vì có, hãy gửi đồng chí, đủ cẩn thận và từ kết quả của kết nối, mà tinh thể bán dẫn bị tràn ngập. Đèn LED bị lỗi thường bị đen do cháy tinh thể dưới kết nối.

Trong chậu cháy hết led ma trận và có thể nhận biết bằng mắt thường
Làm thế nào chúng ta có thể thay đổi
Trái ngược với thực tế là đèn LED trong các mô-đun chiếu sáng không được dán nhãn, thậm chí không khó để nhận ra loại kỹ thuật qua hình thức và kích thước của chúng.

Các loại đèn LED SMD chính
Lấy hai chữ số từ đánh dấu trên một số đèn LED SMD và tương ứng với chiều dài và chữ số thứ hai tương ứng với chiều rộng trên thân chất bán dẫn. Ví dụ: SMD 3020 có kích thước dành cho hộp 3x2 mm.
Chắc chắn, một dấu vết của loại cato-khoa học, vâng, họ sẽ xác định các đặc tính của một thiết bị bán dẫn, và vâng, họ sẽ có ý định tương tự. Vsichko izglezhda rất đơn giản, nhưng ima là một vấn đề nghiêm trọng. Những người bạn Trung Quốc của chúng tôi sản xuất rất nhiều đèn LED không có tên với kích thước và nhãn hiệu tiêu chuẩn, nhưng thiết bị pha lê với hiệu suất đáng kinh ngạc.
Ví dụ, điốt Trung Quốc có kích thước tiêu chuẩn 3020 và có phân phối điện - từ hàng chục đến hàng trăm dặm. Thường không thể xác định sức mạnh thực sự của dori xấp xỉ bằng kích thước của tinh thể đối với lớp ở đường giao nhau bao phủ tinh thể. Có thể xác định rõ ràng các đặc tính của chính đèn LED trong đèn Markov, được sản xuất từ một thương hiệu nổi tiếng từ chất bán dẫn chất lượng cao.
Làm thế nào tôi có thể thay thế
Khi đổi sang đèn LED SMD, vấn đề chính là giải quyết vết cháy. Nếu có, hãy cử một đồng chí, và nếu cần, hãy làm nóng hai lối thoát âm cùng một lúc. Để tháo dỡ, hãy sử dụng bàn ủi hàn đôi hoặc sechoar đặc biệt, được bao gồm trong mọi trạm hàn đàng hoàng.

Hàn trên phần tử SMD với sự trợ giúp của trạm hàn
Ima tùy chọn trên rừng. Đằng sau anh ta, có một ngọn đuốc uốn lượn, một poyanik obiknoven và một cuộn dây bằng đồng thổ cẩm có đường kính 1-2 mm. Navivame zhitsata trên vrha trên poyalnik, làm sắc cạnh, kalaydisvame và nhân đôi poyalnik đã sẵn sàng.

Hàn trên phần tử SMD bằng mỏ hàn gia dụng hai đầu
Natatk - một câu hỏi về công nghệ. Loại bỏ sự bình tĩnh quá mức khỏi chiếc khăn, chấm đường cong trên vật hàn bằng chất trợ dung. Cài đặt chất bán dẫn mới tại chỗ, co thắt cực cato và đi zapyavam với sự trợ giúp của mỏ hàn thông thường.
Ngay từ đầu cuộc trò chuyện về đèn LED và sửa chữa kỹ thuật.Vui lòng xem thông tin nhận được có hữu ích và hữu ích hơn không và tự sửa chữa đèn.
TrướcPolylei Làm thế nào để chúng tôi chọn polylei cổ đạiKế tiếpPolileyPolylayat từ xa, không bao gồm mọi thứ - lý do là gì và bạn có thể khắc phục nó như thế nào
